Akce
EcoMaster COMMERCIAL
Technické parametry
- Model EcoMaster COMMERCIAL
- Užitečný výkon 2 HP (1500 W)
- Provedení nerezové
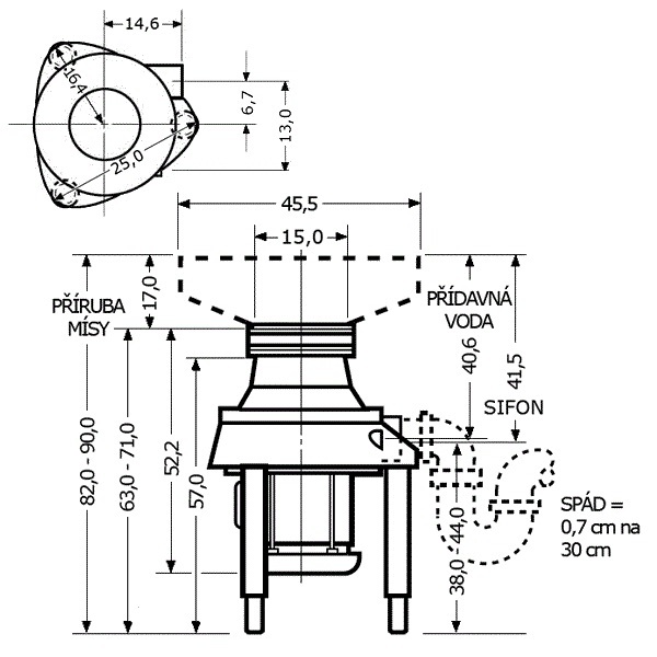
- Ústí komory ø 15 cm
- Způsob upevnění výškově stavitelné nohy a přes mísu ø 45,5 cm do stolu
- Záručná doba 2 roky
- Motor indukční motor s vlastním chlazením
- Možnost chodu nepřetržitě 24 hodin
- otáčky(ot/mi) 1450 ot / min
- Napětí(V) 230 V
- El. příkon 2035 W
- Hmotnost(kg) 52 kg
Na dotaz
Pro zpracování odpadu z přípravy pokrmů a likvidace nezkonzumovaných zbytků.
Nepřetržité provozy až 2500 jídel. Větší hotely, domovy důchodců, restaurace a nemocnice, supermarkety, palírny atd.
Drtič COMMERCIAL má robustnější drticí mechanismus s ozubeným prstencem a trhacím nožem zespod talíře, díky kterému si lépe poradí i s vláknitým a šlachovitým odpadem, jako jsou například kukuřičné klasy nebo syrové maso.
Horní násypná mísa je opatřena vodními tryskami, které splachují odpad a zároveň udržují mísu v čistotě. Vzhledem k samostatnému přívodu vody do trysek a komory drtiče již není nutné pouštět do drtiče vodu z baterie. S použitím elektromagnetického ventilu se pak voda spouští zcela automaticky se zapnutím drtiče.
Naše firma má výrobky i náhradní díly skladem a zajišťuje záruční i pozáruční servis a odborné montáže pro domácnosti a gastroprovozy po celé ČR.

